(株)レオンアルミ

産業用ロボットベース

耐食性に強く、減衰性が高く、振動吸収特性に優れているため
高速ロボットの位置決め制定時間の短縮に最適です。
タクトタイムアップで生産性向上に貢献いたします。

57.(株)レオンアルミ-ロボットベース-4 
 ロボットベース(架台)は都度、設計製作の時代から、市販品を選ぶ時代へ。

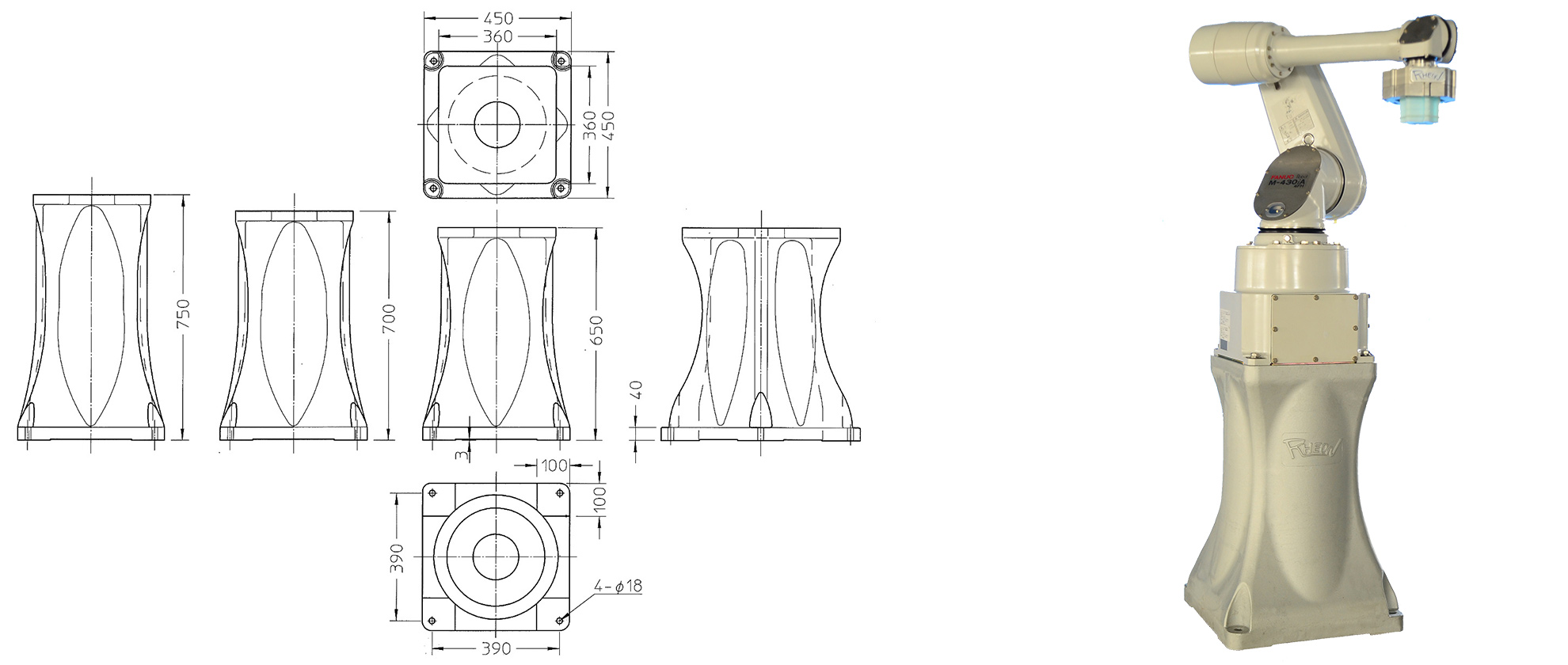
仕様

制振アルミ鋳物AC7A

バリエーションは3シリーズ、9アイテムのラインナップ

<共通スペック>
材質: AC7A-F
表面: ショットブラスト仕上
タップ: ロボットに合わせて加工
適用: ロボット取付座面寸法に収まるロボット各種

シリーズ 取付座面寸法 座面高さ
トール 360X360㎜ 650mm 700mm 750mm -
ミディアム 360X360㎜ 450mm 550mm - -
ミニ 210X210㎜ 150mm 200mm 250mm 300mm
※ロボット取付穴は、お客様のロボットに合せて、都度、タップ加工して出荷いたします。
※ミニは参考用デモ品あります。デモをご希望の方はお問い合わせください。

ミニ

ミディアム

トール

※寸法は予告なく変更する場合があります。ご注文前にお確かめください。

Copyright © 2008-2026 TAKATSU Corporation. All Rights Reserved.